地震監測與預報已經成為全球一項重大課題,遙測數字地震臺網正在全國范圍內逐漸健全。遙測數字地震臺網建成后,需要保證連續正常運行,出現“死機”時,觀測記錄中斷,需要派專人到無人值守的遙測臺解決故障,既浪費時間與經費,又增加了信號間斷率。針對這種情況,設計開發了一套配合地震數據采集器工作的電源監控系統,能夠準確可靠地監控各地震臺站電源情況,使地震臺網中心更好地掌握各臺站電源情況,并且能對地震數據采集器實施遠程控制。整個電源監控系統包括電源監控器和信息管理系統兩部分。
地震檢測臺網主要包括臺網處理中心和各臺站。臺網處理中心配有實時接收機、數據處理機、集線器等設備。通過集線器,中心內所有的計算機組成中心局域網,從而實現文件和數據的共享。
臺站配有地震儀、數據采集器、交流參數穩壓器、UPS 電源、調制解調器、GPS 天線、蓄電池組等設備,如圖 1 所示。

電源監控器主要功能如下:
(1)系統具有檢測地震數據采集器運行情況功能,地震數據采集器“死機”時自動對其復位,復位3次不成功自動轉到地震臺網中心遠程復位;
(2)蓄電池電壓低于11 V、恢復至13 V、交流電上電、交流電斷電時均自動向中心報警;
(3)接收中心的復位、電源狀態、采集器運行狀態查詢和線路測試等命令,并返回應答信息;
(4)電源監控器與中心上位機通信采用地震數據專用線傳輸,不干擾地震數據的正常傳輸,自動在相鄰的兩幀地震數據之間插入電源及采集器狀態信息;
(5)系統具有一定的抗干擾能力,“死機”后可自動復位,重新恢復正常狀態。
2.2.1 系統組成
本設計選用兩片89C2051單片機為核心構成的系統來完成對地震數據采集器電源的監控,硬件設計分為電源模塊、復位電路、信號檢測、通信模塊等幾部分。系統功能框圖如圖2所示。
由于單片機不僅要接收地震數據采集器發出的地震信息,還要接收上位機軟件的命令,所以需要兩個串口。這里利用兩片89C2051單片機來完成任務,其中主機用于檢測地震數據采集器運行情況以及電源情況并向上位機發送,從機專門用來接收上位機的命令,控制地震數據采集器復位。兩片單片機之間通過普通I/O口實現通信。數據采集器發生“死機”時,主機只需向從機發送一條使數據采集器復位的命令,而從機接收到上位機命令后向主機發送應答信息,由主機轉發給上位機。
2.2.2 通信模塊設計
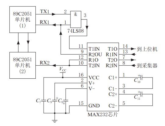
利用一個串口完成對地震數據采集器數據的偵聽,并且向上位機發送檢測數據,同時不能對地震數據進行破壞。由于在同一條線路上不能有多個“講者”,本設計利用與門電路來實現地震數據上傳和檢測信息上傳的切換。通信模塊電路原理圖如圖3所示。

圖3 串行通信模塊電路原理圖
當 89C2051 單片機上電復位后,各輸出口均為高電平,這時與門 74LS08 第 3 腳輸出跟隨地震數據變化,當地震數據發送完畢后,74LS08 第 1 腳變為高電平,則 74LS08 第 3 腳輸出跟隨第 1 片 89C2051TX1 變化,從而實現了傳輸線路的復用。上位機發出的指令由第 2 片 89C2051 偵聽,如果是給監控器的信息,則接收并執行,同時因地震數據采集器數據有其固定格式,所以不會對地震數據采集器產生影響。
兩片單片機通過兩條普通 I/O 口相連,當地震數據采集器發生“死機”時,第 1 片單片機給第 2片發送指令,對地震數據采集器進行復位。當第 2片單片機接收到上位機遠程復位指令時,對采集器進行復位,并向第 1 片單片機發送應答信號,第 1片單片機收到應答信號后向上位機發送一包數據,其中包含采集器狀態信息、電源信息以及第 2 片單片機的應答信息。上位機不僅可以通過檢查第 2 片單片機是否應答來判斷線路狀況,而且還可以記錄下此刻的現場信息。如因各種情況在 5 s 時間內沒有收到來自監控器的信息,則自動重新發送信息,如 3 次發送不成功說明線路出現故障,則給出相應提示。遠程查詢及線路檢測的原理與遠程復位相似,只是不進行復位操作。
2.3.1 軟件設計
下位機主機啟動后先進行初始化,初始化完畢后進入主循環程序,在主循環程序中完成定時1 s喂看門狗,檢測采集器狀態、蓄電池電壓、交流電參數,接收從機信息,向上位機報警等任務,主機流程圖如圖4所示。

圖4 軟件流程圖
上位機信息管理系統軟件主要實現系統信息采集、統計報表等工作,采用Visual Basic程序設計語言開發該軟件。
2.3.2 串行通信控件設置
Visual Basic的串行通信對象MSComm控件是將RS-232接口的初級操作予以封裝,用戶以高級的語法即可利用RS-232接口與外界通信,并不需要了解其它有關的初級操作,因此使用起來非常方便。
通常以下面的步驟來使用Visual Basic的MSComm控件作通信控制:
(1)加入通信對象,也就是MSComm對象;
(2)設置通信端口號碼,即CommPort屬性;
(3)設置通信協議,即HandShaking屬性;
(4)設置傳輸速度等參數,即Settings屬性;
(5)設置其它參數,若必要時再加上其它的屬性設置;
(6)打開通信端口,即PortOpen屬性設成True;
(7)送出字符串或者讀入字符串,使用Input及Output屬性;
(8)使用完MSComm通信對象后,將通信端口關閉,即PortOpen屬性設成Flase;
(9)其它的程序處理。
地震數據采集器電源監控器以89C2051為核心,利用串口偵聽技術跟蹤采集器狀態,發生“死機”時及時對其復位,并向臺網中心報警。本設計完成了地震數據采集器電源監控器制作和電源監控軟件編寫,經過系統聯調,運行狀態良好,達到了設計的要求。經實際運行檢驗,系統能夠檢測地震數據采集器運行情況,可靠性高,節約了各無人值守臺站電源的維護成本,延長了電池壽命,有效提高可遙測數字地震臺網的工作效率,獲得了較好的應用效果。